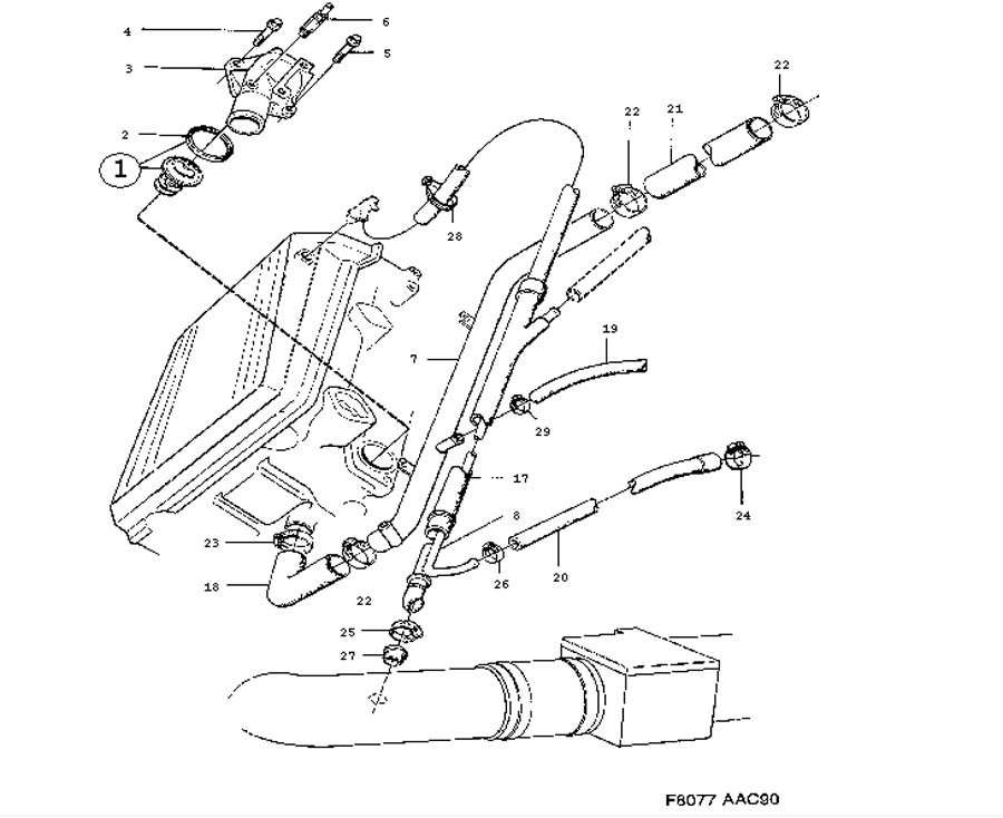
Todos los saab 900 clásico, 16 válvulas, de 1984 a 1993.
Pieza N° 18 en la ilustración (ver segunda imagen).
Disponible
Referencia RBM : 7504624
Saab reference : 7504624,32019031

También le recomendamos
16,70 €
17,50 €
140,00 €

Productos de calidad originales certificados

Precios inferiores a los del mercado

Envío gratis desde 100€ de compra ("points relais" en Francia)

Respeto de sus libertades y seguridad

Apasionados saab a la escucha
+33 (0)1.41.37.30.30
(Mier y Jue 14h-18h UTC+1)
International customers are welcome ! You can use the english version of our website by clicking the union flag.
¡Los clientes internacionales son bienvenidos ! Puedes usar la versión española de nuestro sitio haciendo clic en la bandera respectiva.

